|
ZW3D All-in-one
|
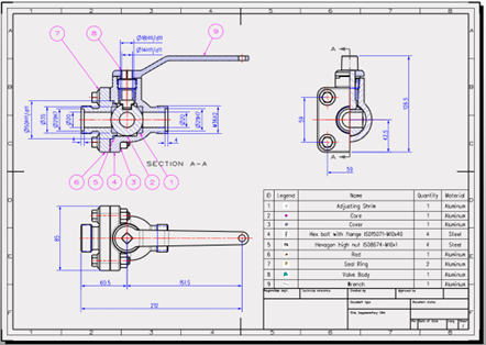
ZW3D All-in-one ซอฟต์แวร์ด้านการออกเเบบ 3 มิติ ที่มีเทคโนโลยีการออกแบบ Hybrid Solid-Surface วิเคราะห์งาน การผลิต และลิขสิทธิ์แบบซื้อขาด
|
|

|

|

Sheet Metal Design: การออกแบบงานพับโลหะแผ่น พร้อมการคลี่แบบ (Unfold) อัตโนมัติ
Weldment & Frame Design: การออกแบบโครงสร้างเหล็กและงานเชื่อมที่รวดเร็ว
Mold Design: เครื่องมือช่วยออกแบบแม่พิมพ์ที่สมบูรณ์แบบ ตั้งแต่การแยก Core/Cavity ไปจนถึง ไลบรารีชิ้นส่วนมาตรฐาน
(Standard Mold Base & Components) ที่ครบครัน

|

|

|
|
![]() |
![]() |
|
"The integrated 3D CAD+CAE/CAM/Collaboration แบบบูรณาการที่สามารถนําไปสู่เส้นทางการพัฒนาผลิตภัณฑ์ทั้งหมดตั้งแต่แนวคิดไปจนถึงการผลิต ช่วยลดต้นทุนซอฟต์แวร์ขององค์กรได้มากกว่า 50% ในระยะยาว"



TOP